제품
API 체크 밸브
  • API 체크 밸브API 체크 밸브

API 체크 밸브

Jinqiu Valve 고품질 API 체크 밸브는 ASME, API 및 GB 표준을 충족합니다. 고급 CNC 머시닝 센터와 금속 절단 장비를 갖춘 이 회사는 제품 설계 및 제조에 CAD/CAM 기술을 활용하고 ISO9001 표준을 준수하여 API 체크 밸브 부품의 정밀도와 품질을 보장합니다.

중국의 전문 체크 밸브 제조업체인 Jinqiu Valve의 API 체크 밸브는 전적으로 미국 표준에 따라 설계 및 제조되었습니다. 이 밸브는 미학적으로 아름다운 구조와 첨단 기술을 갖추고 있습니다. API 체크 밸브는 매체 자체의 흐름에 따라 밸브 디스크를 자동으로 열고 닫아 역류를 방지합니다. 일방향 밸브, 체크 밸브 또는 역류 밸브라고도 합니다. 주요 기능은 매체의 역류를 방지하고, 펌프 및 구동 모터의 역전을 방지하며, 용기 내부 매체의 누출을 방지하는 것입니다.


1. 낮은 흐름 저항: API 체크 밸브가 완전히 열리면 흐름 경로가 거의 막히지 않아 압력 강하가 낮아집니다.
2. 빠른 폐쇄 및 역류 방지: 밸브 디스크의 레버 동작을 통해 역류가 시작될 때에도 신속한 반응 및 폐쇄가 가능합니다.
3. 폭넓은 적용성: DN50부터 DN1200 이상까지 광범위한 파이프 직경에 적합합니다.

성능 매개변수

일련번호 프로젝트 이름 매개변수
1 공칭압력PN(MPa) 150LB 300LB 600LB 900LB 1500LB 2500LB
2.0 5.0 10.0 15.0 25.0 42.0
2 쉘 강도 테스트 압력 실온에서의 공칭압력 1.5배
3 고압 씰 테스트 압력 실온에서의 공칭압력 1.1배
4 실온에서의 작동 압력 ASME B16.34 압력 및 온도 등급을 누르십시오.

제품사양

디자인 표준 구조 길이 플랜지 연결 크기 시험 및 검사 압력 및 온도 기준
API6D/ASME B16.34 ASME B16.10 ASME B16.5 API598/API6D ASME B16.34

주요 부품 소재

부품명 소재명
A216 WCB A217 WC6 A351 CF8 A351 CF8M A351 CF3 A351 CF3M
A216 WCB A217 WC6 A351 CF8 A351 CF8M A351 CF3 A351 CF3M
밸브 플레이트 A216 WCB A217 WC6 A351 CF8 A351 CF8M A351 CF3 A351 CF3M
씰링 표면 13Cr/STL STL 본체 / STL 본체 / STL 본체 / STL 본체 / STL
밸브 샤프트 A182 F6a A182 F11 A182 F304 A182 F316 A182 F304L A182 F316L
틈 메우는 물건 유연한 흑연 유연한 흑연 유연한 흑연 유연한 흑연 유연한 흑연 유연한 흑연
볼트 A193 B7 A193 B16 A193 B8 A193 B8M A193 B8 A193 B8M
너트 A194 2H A194 4 A194 8 A194 8M A194 8 A194 8M
작동 온도 -29~425℃ -29~540℃ -46~425℃ -46~425℃ -46~425℃ -46~425℃
적합한 매체 증기 증기 약한 부식성 약한 부식성 약한 부식성 약한 부식성

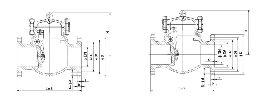
주요 모양 및 연결 치수

공칭 직경 크기
m ~에 L D D1 D2 b f n-Φd H
H44H-150Lb
50 2 203 152 120.5 92 16 1.6 4-19 180
80 3 241 192 152.5 127 19 1.6 4-19 190
100 4 297 229 190.5 157 24 1.6 8-19 203
125 5 330 254 216 186 24 1.6 8-22 229
150 6 356 279 241.5 216 26 1.6 8-22 257
200 8 495 342 298.5 270 29 1.6 8-22 292
250 10 622 406 362 324 31 1.6 12-25 355
300 12 698 483 432 381 32 1.6 12-25 396
H44H-300Lb
50 2 267 165 127 92 23 1.6 8-19 178
80 3 318 210 168.5 127 29 1.6 8-22 216
100 4 356 254 200 157 32 1.6 8-22 241
125 5 400 279 235 186 35 1.6 8-22 267
150 6 444 318 270 216 37 1.6 12-22 305
200 8 533 381 330 270 42 1.6 12-25 368
250 10 622 445 387 324 48 1.6 16-29 394
300 12 711 521 451 381 51 1.6 16-32 445
H44H-600Lb
50 2 295 165 127 92 33 6.4 8-19 203
80 3 359 210 168 127 36 6.4 8-22 235
100 4 435 273 216 157 45 6.4 8-25 286
125 5 511 330 266.5 186 52 6.4 8-29 292
150 6 562 356 292 216 55 6.4 12-29 330
200 8 664 419 349 270 63 6.4 12-32 381
250 10 791 510 432 324 71 6.4 16-35 457
300 12 842 559 489 381 74 6.4 20-35 584

구조 그림

핫 태그: API 체크 밸브, 중국, 맞춤형, 품질, 내구성, 고급, 제조업체, 공급 업체, 공장, 재고 있음
문의 보내기
연락처 정보

게이트 밸브, 글로브 밸브 및 체크 밸브에 대한 문의사항이나 가격표에 대한 문의사항은 이메일을 남겨주시면 24시간 이내에 연락드리겠습니다.

X
당사는 귀하에게 더 나은 탐색 경험을 제공하고, 사이트 트래픽을 분석하고, 콘텐츠를 개인화하기 위해 쿠키를 사용합니다. 이 사이트를 이용함으로써 귀하는 당사의 쿠키 사용에 동의하게 됩니다. 개인 정보 보호 정책
거부하다 수용하다